Introduction
In this section we have covered couplings to join glass process plant and pipeline components with other metal equipments.The complete coupling includes two flanges, two inserts, the necessary numbers of nuts, and bolts to join them together.
The couplings designed for use with glass process plant and components are of major importance from two main point of view.
- They must ensure that the bolt load applied to the joint is sufficient to make an effective seal whilst not inducing undue stress in the glass.
- They must be totally reliable in all service conditions.
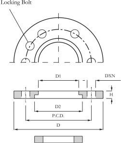
Couplings & Gaskets
A Complete coupling consists of two backing flanges, two inserts and the appropriate number of nuts, bolts with PTFE 'O' ring. It is a complete set of flanges required to make a joint.
| BACKING FLANGES | ||
|---|---|---|
| DN | CAT.REF. | QTY |
| 15 | HCF07 | 2 |
| 25 | HCF1 | 2 |
| 40 | HCF 1.5 | 2 |
| 50 | HCF 2 | 2 |
| 80 | HCF 3 | 2 |
| 100 | H CF 4 | 2 |
| 150 | HCF 6 | 2 |
| 225 | HCF 9 | 2 |
| 300 | HCF 12 | 2 |
| 400 | HCF 16 | 2 |
| 450 | HCF 18 | 2 |
| 600 | HCF 24 | 2 |
| INSERT | |
|---|---|
| CAT.REF. | QTY |
| HCN07 | 2 |
| HCN1 | 2 |
| HCN 1.5 | 2 |
| HCN 2 | 2 |
| HCN 3 | 2 |
| HCN 4 | 2 |
| HCN 6 | 2 |
| HCN 9 | 2 |
| HCN 12 | 2 |
| HCN 16 | 2 |
| HCN 18 | 2 |
| HCN 24 | 2 |
| NUT & BOLTS | |||
|---|---|---|---|
| D | L | QTY | |
| 5/16" | 2.5" | 3 | |
| 5/16" | 2.5" | 3 | |
| 5/16" | 2.5" | 3 | |
| 5/16" | 2.5" | 3 | |
| 5/16" | 3.5" | 6 | |
| 5/16" | 3.5" | 6 | |
| 3/8" | 3.5" | 6 | |
| 3/8" | 5" | 8 | |
| 3/8" | 5" | 12 | |
| 1/2" | 8" | 12 | |
| 1/2" | 8" | 12 | |
| 1/2" | 8" | 12 | |
| CAT.REF. |
|---|
| CAT.REF. |
| HCT07 |
| HCT 1 |
| HCT 1.5 |
| HCT 2 |
| HCT 3 |
| HCT 4 |
| HCT 6 |
| HCT 9 |
| HCT 12 |
| HCT 16 |
| HCT 18 |
| HCT 24 |
* DN is the nominal size of coupling .
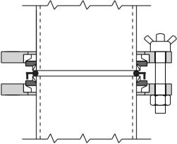
There are always applications where there is a need to open or close a coupling easily without using tools. Charging reaction vessels are an example of this. Quick release couplings provide this facility whilst securing the lower backing flange against falling down.
The flanges one of which has slotted bolt holes remains fixed on the glass and are separated by means of hinged quick release bolts and wingnuts.
Depending upon the frequency of opening, the sealing gasket may need regular renewal.
Backing flange forms an intergral part of the complete couplings detailed earlier in this chapter. Up to and including DN 450 it is one -piece unit and for DN-600 the flange is available in two pieces.
Baking flange is made from cast iron and is used with insert.

| DN | D | H | P.C.D. | d x N | TYPE | CAT. REF. |
|---|---|---|---|---|---|---|
| 15 | 70 | 10 | 50 | 6 X 3 | A | HCF07 |
| 25 | 90 | 10 | 70 | 9 X 3 | A | HCF1 |
| 40 | 105 | 10 | 86 | 9 X 3 | A | HCF 1.5 |
| 50 | 120 | 11 | 98 | 9 X 3 | A | HCF 2 |
| 80 | 155 | 12 | 133 | 9 X 6 | A | HCF 3 |
| 100 | 200 | 14 | 178 | 9 X 6 | A | HCF 4 |
| 150 | 280 | 15 | 254 | 11 X 6 | A | HCF 6 |
| 225 | 335 | 29 | 310 | 11 X 8 | B | HCF 9 |
| 300 | 420 | 35 | 394 | 11 X 12 | B | HCF 12 |
| 400 | 525 | 22 | 495 | 12 X 12 | A | HCF 16 |
| 450 | 630 | 38 | 585 | 14 X 12 | B | HCF 18 |
| 600 | 745 | 48 | 710 | 14 X 12 | B | HCF 24 |
* Stainless steel (S.S.) flanges can be made on request basis.
Insert is fitted between the flange and the glass buttress end and should always be renewed if a jointis dismantled.
Spilt ring type insert is used with backing flanges. It is made of cast iron asbestos rope. Non asbestos PTFE impregnated rope cab be supplied on request. Insert from ruber material can also be supplied on request.

| DN mm | D mm | D1 mm | H mm | TYPE | CAT. REF. |
|---|---|---|---|---|---|
| 15 | 34 | 22 | 8 | A | HCN 07 |
| 25 | 50 | 36 | 8 | A | HCN 1 |
| 40 | 65 | 50 | 8 | A | HCN 1.5 |
| 50 | 79 | 62 | 8 | A | HCN 2 |
| 80 | 110 | 92 | 8 | A | HCN 3 |
| 100 | 146 | 122 | 8 | A | HCN 4 |
| 150 | 197 | 174 | 10 | A | HCN 6 |
| 225 | 275 | 240 | 10 | A | HCN 9 |
| 300 | 359 | 322 | 10 | A | HCN 12 |
| 400 | 474 | 431 | 12 | A | HCN 16 |
| 450 | 555 | 500 | 18 | A | HCN 18 |
| 600 | 684 | 634 | 18 | B | HCN 24 |

This flange is used to connected glass component to flange on other equipment where different bolt configurations and/or drilled PCD’S are required. This flange is made of castiron and supplied with a spilt ring.
Aluminium flange can also be supplied on request.Please mention Cat.Ref. HCFA for cast iron and HAFC for aluminium flange.
Adaptor backing flange is generally supplied un-drilled . However, if specified , this can be supplied drilled as per "Table E/F/ ASA150" standards.
UNDRILLED FLANGE| DN mm | D mm | D1 mm | D2 mm | H mm | CAT. REF. |
|---|---|---|---|---|---|
| 15 | 70 | 29 | 30 | 10 | HCFA 07 |
| 25 | 115 | 43 | 51 | 10 | HCFA 1 |
| 40 | 150 | 58 | 66 | 10 | HCFA 1.5 |
| 25 | 115 | 43 | 51 | 10 | HCFA 1 |
| 50 | 165 | 70 | 81 | 12 | HCFA 2 |
| 80 | 200 | 101 | 112 | 12 | HCFA 3 |
| 100 | 220 | 134 | 148 | 12 | HCFA 4 |
| 150 | 285 | 186 | 196 | 15 | HCFA 6 |
| 225 | 395 | 260 | 282 | 15 | HCFA 9 |
| 300 | 445 | 342 | 363 | 18 | HCFA 12 |
| DRILLED TABLE -E | ||
|---|---|---|
| CAT.REF | PCD | n x Dø |
| HCFA07/E | 67 | 4 x 12ø |
| HCFA 1/E | 82 | 4 x 12ø |
| HCFA 1.5/E | 98 | 4 x 12ø |
| HCFA 2/E | 114 | 4 x 16ø |
| HCFA 3/E | 146 | 4 x 16ø |
| HCFA 4/E | 178 | 8 x 16ø |
| HCFA 6/E | 235 | 8 x 19ø |
| HCFA 9/E | 324 | 12 x 19ø |
| HCFA 12/E | 406 | 12 x 23ø |
| DRILLED TABLE -F | ||
|---|---|---|
| CAT.REF | PCD | n x Dø |
| HCFA07/F | 67 | 4 x 16ø |
| HCFA 1/F | 87 | 4 x 16ø |
| HCFA 1.5/F | 105 | 4 x 16ø |
| HCFA 2/F | 127 | 4 x 16ø |
| HCFA 3/F | 165 | 8 x 16ø |
| HCFA 4/F | 190 | 8 x 16ø |
| HCFA 6/F | 260 | 12 x 19ø |
| HCFA 9/F | 356 | 12 x 23ø |
| HCFA 12/F | 438 | 16 x 23ø |
| DRILLED TABLE -ASA150 | |||
|---|---|---|---|
| CAT.REF | PCD | n x Dø | |
| HCFA07/A | 60 | 4 x 12ø | |
| HCFA 1/A | 79 | 4 x 12ø | |
| HCFA 1.5/A | 98 | 4 x 12ø | |
| HCFA 2/A | 121 | 4 x 16ø | |
| HCFA 3/A | 152 | 4 x 16ø | |
| HCFA 4/A | 190 | 8 x 16ø | |
| HCFA 6/A | 241 | 8 x 19ø | |
| HCFA 9/A | 298 | 8 x 19ø | |
| HCFA 12/A | 432 | 12 x 23ø | |
Bellow flange is used to fit a bellow to a glass component. This is made of cast iron and is used in HFBN, HVB, HFB type of bellows.
This is provided with a spilt ring.
| DN | D | D1 | D2 | PCD | d x N | H | CAT. REF |
|---|---|---|---|---|---|---|---|
| 15 | 60 | 30 | 34 | 50 | 9 x 3 | 8 | HBF07 |
| 25 | 90 | 44 | 54 | 70 | 9 x 3 | 8 | HBF 1 |
| 40 | 105 | 59 | 66 | 86 | 9 x 3 | 9 | HBF 1.5 |
| 50 | 121 | 71 | 80 | 98 | 9 x 3 | 10 | HBF 2 |
| 80 | 155 | 102 | 115 | 133 | 9 x 6 | 10 | HBF 3 |
| 100 | 200 | 135 | 146 | 178 | 9 x 6 | 10 | HBF 4 |
| 150 | 274 | 186 | 202 | 254 | 10 x 6 | 10 | HBF 6 |
| 225 | 340 | 260 | 275 | 310 | 10 x 8 | 11 | HBF 9 |
| 300 | 425 | 340 | 363 | 394 | 11 x 12 | 15 | HBF 12 |

This flange is made of cast iron and supplied with a spilt ring.
Aluminium flange can also be supplied on request. Please mention Cat.Ref. HCFA for cast iron and HAFC for aluminium flange.
Adaptor backing flange is generally supplied un-drilled . However, if specified , it can be supplied drilled as per "Table E/F/ ASA150" standards.

| DN MM |
D MM |
D1 MM |
D2 MM |
H MM |
CAT. REF. |
|---|---|---|---|---|---|
| 15 | 70 | 29 | 30 | 7 | HBFA07 |
| 25 | 115 | 44 | 53 | 7 | HBFA1 |
| 40 | 150 | 59 | 65 | 9 | HBFA1.5 |
| 50 | 165 | 70 | 87 | 8 | HBFA2 |
| 80 | 200 | 104 | 115 | 9 | HBFA3 |
| 100 | 220 | 133 | 149 | 9 | HBFA4 |
| 150 | 285 | 189 | 204 | 11 | HBFA6 |
| 225 | 395 | 261 | 280 | 12 | HBFA9 |
| 300 | 445 | 342 | 363 | 12 | HBFA12 |
| DRILLED TABLE -E CAT.REF PCD n x Dø |
||
|---|---|---|
| HBFA07/E | 67 | 4 x 12ø |
| HBFA 1/E | 82 | 4 x 12ø |
| HBFA 1.5/E | 98 | 4 x 12ø |
| HCFA 2/E | 114 | 4 x 16ø |
| HBFA 3/E | 146 | 4 x 16ø |
| HBFA 4/E | 178 | 8 x 16ø |
| HBFA 6/E | 235 | 8 x 19ø |
| HBFA 9/E | 324 | 12 x 19ø |
| HCFA 12/E | 406 | 12 x 23ø |
| DRILLED TABLE -F CAT.REF PCD n x Dø |
||
|---|---|---|
| HBFA07/F | 67 | 4 x 16ø |
| HBFA 1/F | 87 | 4 x 16ø |
| HBFA 1.5/F | 105 | 4 x 16ø |
| HBFA 2/F | 127 | 4 x 16ø |
| HBFA 3/F | 165 | 8 x 16ø |
| HBFA 4/F | 190 | 8 x 16ø |
| HBFA 6/F | 260 | 12 x 19ø |
| HBFA 9/F | 356 | 12 x 23ø |
| HBFA 12/F | 438 | 16 x 23ø |
| DRILLED TABLE -ASA150 CAT.REF PCD n x Dø |
|||
|---|---|---|---|
| HBFA07/A | 60 | 4 x 12ø | |
| HBFA 1/A | 79 | 4 x 12ø | |
| HBFA 1.5/A | 98 | 4 x 12ø | |
| HBFA 2/A | 121 | 4 x 16ø | |
| HBFA 3/A | 152 | 4 x 16ø | |
| HBFA 4/A | 190 | 8 x 16ø | |
| HBFA 6/A | 241 | 8 x 19ø | |
| HBFA 9/A | 298 | 8 x 19ø | |
| HBFA 12/A | 432 | 12 x 23ø | |
Compression spring is used to set the correct bolt load and to maintain it after the gasket has settled, thus ensuring that the coupling remains leak-free. Standard compression spring has a corrosion resistant coating and is also available in stainless steel.

| DN | FREE L | INSTALLED L | CAT. REF. |
|---|---|---|---|
| 25-100 | 14.5 | 11.0 | HDF 8.5 |
| 150-300 | 22.0 | 18.0 | HDF 10.5 |
| 450-600 | 28.7 | 22.7 | HDF 13 |
PTFE 'O' ring is the most widely used gaskets in glass fittings. It is provided with a locking collar which helps to lock the two glass surfaces correctly.

| DN mm | D mm | D1 mm | d mm | L mm | CAT. REF. |
|---|---|---|---|---|---|
| 15 | 29 | 23 | 3 | 5 | HTR07 |
| 25 | 42 | 33 | 3 | 5 | HTR 1 |
| 40 | 57 | 48 | 3 | 5 | HTR 1.5 |
| 50 | 70 | 59 | 3 | 5 | HTR 2 |
| 80 | 100 | 88 | 3 | 5 | HTR 3 |
| 100 | 134 | 119 | 4 | 6 | HTR 4 |
| 150 | 186 | 168 | 4 | 6 | HTR 6 |
| 225 | 260 | 236 | 4 | 7 | HTR 9 |
| 300 | 342 | 318 | 4 | 7 | HTR 12 |
| 400 | 467 | 455 | 6 | 7 | HTR 16 |
| 450 | 537 | 490 | 6 | 7 | HTR 18 |
| 600 | 686 | 640 | 6 | 7 | HTR 18 |
| 600 | 686 | 640 | 8 | 10 | HTR 24 |
This gasket takes the form of a PTFE sheath fitted over a compressed asbestos fiber gasket.When using this type of gasket, a higher bolting force is required for DN 450 and above. Please consult our Technical Department for further information.

| DN | CAT. REF. |
|---|---|
| 25 | HTMP 1 |
| 40 | HTMP 1.5 |
| 40 | HTMP 1.5 |
| 50 | HTMP 2 |
| 80 | HTMP 3 |
| 100 | HTMP 4 |
| 150 | HTMP 6 |
| 225 | HTMP 9 |
| 300 | HTMP 12 |
| 450 | HTMP 18 |
| 600 | HTMP 24 |
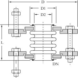
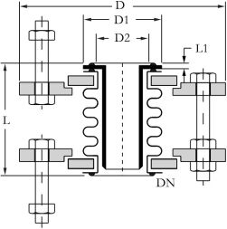
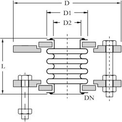
PTFE bellow is an important support in the construction of glass plant and pipeline. It can be used to compensate for different thermal movement between glass and associated equipments, absorb vibrations from associated equipments or foundations. In particular, bellow can be used for connecting glass to other material.
When bellow is used, the support and restraint of the glass should be such that the force resulting from pressure/vacuum in the pipeline and forces resulting from movement of the bellows do not result in undue stresses in the glass.
The maximum operating temperature for PTFE bellow is 200 C. Bellow DN 80 and above should not be used under vacuum. For such application we recommend the use of vacuum bellow as detailed on the following page.

| Permissible operating conditions for HBFN bellow | ||||
|---|---|---|---|---|
| DN | 20°C | 100°C | 160°C | 200°C |
| 15 | -1 / +4 | -1 / +3 | -1 / +1,5 | unpressurised |
| 25 | -1 / +4 | -1 / +3 | -1 / +1,5 | unpressurised |
| 40 | -1 / +4 | -1 / +3 | -1 / +1,5 | unpressurised |
| 50 | -1 / +4 | -1 / +2 | -1 / +1 | unpressurised |
| 80 | -1 / +3 | -1 / +2 | -1 / +1 | unpressurised |
| 100 | -1 / +2 | -1 / +2 | -0 / +1 | unpressurised |
| 150 | -1 / +2 | -1 / +1,5 | -0 / +0,7 | unpressurised |
| 200 | -1 / +1 | -1 / +1 | -0 / +0,5 | unpressurised |
| 300 | -1 / +1 | -1 / +0,7 | -0 / +0,3 | unpressurised |
| Permissible operating conditions for HVBN bellow | ||||
|---|---|---|---|---|
| DN | 20°C | 100°C | 160°C | 200°C |
| 80 | -1 / +3 | -1 / +2 | -1 / +1' | unpressurised |
| 100 | -1 / +2 | -1 / +2 | -1 / +1' | unpressurised |
| 150 | -1 / +2 | -1 / +1,5 | -1 / +0,7 | unpressurised |
| 200 | -1 / +2 | -1 / +1 | -1 / +0,5 | unpressurised |
| 300 | -1 / +1 | -1 / +0,7 | -1 / +0,3 | unpressurised |

| DN | D | D1 | D2 | L | CAT.REF. |
|---|---|---|---|---|---|
| 15 | 65 | 28 | 21 | 60 | HFBN 1 |
| 25 | 95 | 41 | 31 | 60 | HFBN 1 |
| 25 | 95 | 41 | 31 | 60 | HFBN 1 |
| 40 | 105 | 56 | 43 | 60 | HFBN 1.5 |
| 50 | 121 | 69 | 55 | 60 | HFBN 2 |
| 80 | 155 | 98 | 82 | 65 | HFBN 3 |
| 100 | 200 | 132 | 111 | 65 | HFBN 4 |
| 150 | 274 | 184 | 162 | 65 | HFBN 6 |
| 225 | 340 | 258 | 230 | 65 | HFBN 9 |
| 300 | 425 | 340 | 308 | 65 | HFBN 18 |
| 300 | 425 | 340 | 308 | 65 | HFBN 18 |
*Tolerances for above bellows in length is ±3mm .

| DN | D | D1 | D2 | L | CAT.REF. |
|---|---|---|---|---|---|
| 15 | 65 | 28 | 21 | 60 | HFBF1 |
| 25 | 95 | 41 | 31 | 60 | HFBF1 |
| 40 | 105 | 56 | 43 | 60 | HFBF1.5 |
| 50 | 121 | 69 | 55 | 60 | HFBF2 |
| 80 | 155 | 98 | 82 | 65 | HFBF3 |
| 100 | 200 | 132 | 111 | 65 | HFBF4 |
| 150 | 274 | 184 | 162 | 65 | HFBF6 |
| 225 | 340 | 258 | 230 | 65 | HFBF9 |
| 300 | 425 | 340 | 308 | 65 | HFBF18 |
*Tolerances for above bellows in length is ±3mm .

| DN | D | D1 | D2 | L | L1 | CAT. REF. |
|---|---|---|---|---|---|---|
| 80 | 155 | 98 | 82 | 70 | 5 | HVBN 3 |
| 100 | 200 | 132 | 111 | 70 | 5 | HVBN 4 |
| 150 | 275 | 184 | 162 | 70 | 5 | HVBN 6 |
| 225 | 350 | 258 | 230 | 70 | 5 | HVBN 9 |
| 300 | 425 | 340 | 308 | 70 | 5 | HVBN 12 |
*Tolerances for above bellows in length is ±3mm .

| DN | D | D1 | D2 | L | L1 | CAT.REF. |
|---|---|---|---|---|---|---|
| 80 | 155 | 98 | 82 | 70 | 5 | HVBF 3 |
| 100 | 200 | 132 | 111 | 70 | 5 | HVBF 4 |
| 150 | 275 | 184 | 162 | 70 | 5 | HVBF 6 |
| 225 | 350 | 258 | 230 | 70 | 5 | HVBF 9 |
| 300 | 425 | 340 | 308 | 70 | 5 | HVBF 12 |
Bellows can be supplied with undrilled adaptor flanges. However , if specified , these bellows can be supplied drilled as per " Table E" , Table F" and "ASA150 " Standards. * Tolerances for above bellows in length is ±3mm and diameter as per the glass buttress end tolerance.
This component is used as interface spacer when connecting glass flat buttress end component to other process plant, pipeline and glass - lined reaction vessel. A combination of steel, rubber and PTFE provide an ideal sealing surface with only PTFE coming into contact with the process fluids to maintain resistance to corrosion.

| DN | CAT. REF |
|---|---|
| 25 | HEMP 1 |
| 40 | HEMP 1.5 |
| 50 | HEMP 2 |
| 80 | HEMP 3 |
| 100 | HEMP 4 |
| 150 | HEMP 6 |
| 225 | HEMP 9 |
| 300 | HEMP 12 |
| 450 | HEMP 18 |
| 600 | HEMP 24 |
